车辆介绍书:
平凹镜是将平⾏光向外发散,平凹镜的焦距为负,球差也为负,可⽤于校正其他透镜的相差、球差、彗差、畸变。与平凸镜类似,曲⾯⼀侧⼀般对向远的物⾯或⽆穷远。
平凹透镜(Plano Concave Lenses)将一束平行光转化成发散的光线,发散的光线反向聚焦于平凹透镜的虚焦点处,焦距为负,其中一面为平面,另一面为凹面。平凹透镜可从虚焦点处发散一束准直光束,通常用在伽利略型扩束器中。使用时,凹面面向入射光方向,将平面的那一面朝向要处理的焦平面。平凹透镜具有负焦距和负的球差,可以用来抵消系统中其他透镜的像差。
常规型号(参考使用数据信息) :
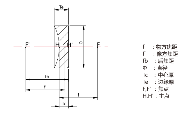
内直径(mm) | 专注(mm) | 后对焦(mm) | 学校层厚(mm) | 边界壁厚(mm) | 曲率回转半径(mm) |
| 9.0 | -27.0 | -28.3 | 2.0 | 2.7 | -13.9 |
| 12.7 | -25.0 | -27.0 | 3.0 | 4.7 | -12.9 |
| 12.7 | -30.0 | -32.0 | 3.0 | 4.4 | -15.4 |
| 12.7 | -50.0 | -52.3 | 3.5 | 4.3 | -25.7 |
| 25.0 | -75.0 | -77.3 | 3.5 | 5.6 | -38.6 |
| 25.4 | -50.0 | -52.3 | 3.5 | 6.9 | -25.7 |
| 25.4 | -75.0 | -77.3 | 3.5 | 5.6 | -38.6 |
| 25.4 | -100.0 | -102.6 | 4.0 | 5.6 | -51.5 |
| 50.8 | -100.0 | -102.6 | 4.0 | 10.7 | -51.5 |
| 25.0 | -150.0 | -125.6 | 4.0 | 8.3 | -77.2 |
物料指数公式: 服务标准:

•焦距范围 : ±1%
•厚度公差:±0.02mm
•寸尺公差:±0.02mm
•面型:λ/10
•从表面品质:40/20 or better
•剪力:<3arcmin
类产品技术参数
| 材料 | K9、光学玻璃、紫外⽯英、氟化钙等 |
| 焦距(f’) | ±2%@587.6nm |
| 尺⼨公差 | -0.05~0.1mm |
| 中⼼厚度公差 | ±0.03~0.1mm |
| 中⼼偏 | 30″~3′ |
| 光圈 | 1~5 |
| 局部光圈 | 0.2~0.5 |
| 表⾯光洁度 | 60-40,40-20 |
| 通光孔径 | >90% |
| 镀膜 | 增透膜 |
产品应用领域 :
诸多APP于负透镜、 影像透镜、 扩束透镜、 缩束透镜、 点光准直透镜、 数列收敛准直点光、准直数列收敛点光,APP邻域:光学瞄准镜、远视镜、抓拍机定焦镜头、显微镜观察、扩大镜、光受到器和聚光镜等。
采用典型案例 :