双凹透镜
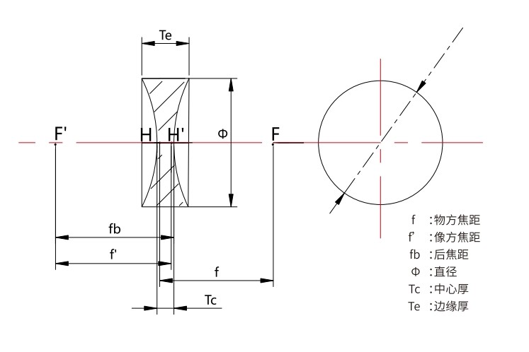
双凹透镜与平凹透镜相近,能够划分成没镀膜等等和镀了明显可见的光带域的防反射性很多层膜透镜。有着负的镜头光圈,被应用在数列收敛一朵形成抛物线线光。却是形成抛物线线入射的光照向外数列收敛,双凹透镜的三个侧面图曲率的半径一样,大部分应用在扩束光照,和投影仪等设备中曾加镜头光圈。配件标题双凸透镜相关材料K9、光学钢化玻璃钢化玻璃、太阳光的紫外线熔融石英、氟化钙等镜头光圈 (f)士2%@587.6nm的尺寸公差(-0.05~0.1 mm)中尺寸公差士0.03~0.1mm中偏30"~3&#- 型 号: 定制
- 规 格: 定制
- 材 料: 光学玻璃
停用
产品咨询
客服热线:0755-89936779
