柱⾯镜
2024-05-14
林树鑫

柱面镜是一种非球面透镜,相比球面镜,在横轴上有弧度,而纵轴则没有弧度。它可以有效减小球差和色差,并具有一维放大功能。柱面镜主要分为平凸柱面透镜、平凹柱面透镜、双凸柱面透镜、双凹柱面透镜、弯月柱面镜、柱交柱面镜和异形类柱面透镜。
产品介绍
柱⾯镜是⼀维放⼤应⽤的很好选购。球透镜对⼊射光在 两大⽅向下的作⽤是对称性的⽽柱⾯镜对⼊射光只要 ⼀个 ⽅向下的作⽤。典型案例的应⽤是⽤⼀对柱透镜完成发生形变光 束的微整形。⼀对正柱⾯镜能否⽤于准直和椭圆形化皮秒激光⼆ 极管的打出。另⼀个可能会的应⽤是⽤单体柱透镜将收敛 的光柱对焦到测探器阵列上。以便最⼩化球差,当把光柱 对焦成⼀条线应该将准直灯光从透镜的曲⾯⼊射,⽽要 把线灯光准直应该让线灯光从透镜的平⾯⼊射。产品参数
| 建筑材料 | K9、B270、JGS2 |
| 光圈(f’) | ±2%@10.6 μnm |
| 尺⼨公差 | +0/-0.2m |
| 中⼼板厚公差 | ±0.1mm |
| 中⼼偏 | 3′ |
| 光圈 | 3 |
| 边缘光圈 | 0.5 |
| 表⾯亮泽度 | 60-40 |
| 通光钻孔大小 | >90% |
| 汽车镀膜 | 400-700nm AR膜 |
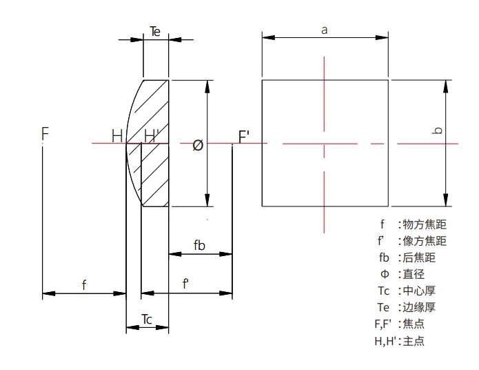
构成图

常规型号
尺⼨(mm) | 像⽅镜头焦距(mm) | 后焦距范围(mm) | 中⼼的厚度(mm) | 边界壁厚(mm) | 曲率倾斜角(mm) |
| 12.5*25.0 | 12.5 | 10.37 | 3.8 | 1.55 | 9.81 |
| 12.5*25.0 | 15.0 | 13.21 | 3.2 | 1.40 | 11.77 |
| 12.5*25.0 | 20.0 | 17.63 | 3.6 | 1.50 | 10.34 |
| 12.5*25.0 | 25.0 | 23.02 | 3.0 | 1.39 | 12.92 |
| 12.5*25.0 | 50.0 | 48.68 | 2.0 | 1.23 | 25.84 |
| 12.5*25.0 | 75.0 | 73.68 | 2.0 | 1.49 | 38.76 |
| 12.5*25.0 | 100.0 | 98.66 | 2.0 | 1.62 | 51.68 |
| 12.5*25.0 | 150.0 | 148.68 | 2.0 | 1.75 | 77.52 |
那些固化的标签:
柱⾯镜